+375 (17) 393-00-55
+375 (29) 144-43-80
E-mail: beladria@yandex.ru

Реле времени токовые ВЛ-104 ВЛ-104А

Реле времени токовые ВЛ-104 ВЛ-104А

  • Используются в схемах устройств релейной защиты на переменном оперативном токе для получения регулируемой выдержки времени и включаются непосредственно во вторичную цепь измерительных трансформаторов тока.
  • Три независимые цепи.

Условия эксплуатации

Закрытые производственные помещения, расположенные в районах с умеренным и холодным климатом (исполнение УЗ). 
Диапазон рабочих температур от минус 40 до 55 °С. 
Воздействие вибрации с ускорением до 3g в диапазоне частот от 5 до 15 Гц, с ускорением 2g в диапазоне частот от 15 до 100 Гц. 
Относительная влажность воздуха 80% при температуре 25 °С - для исполнения УЗ.

Технические характеристики

Вход
Номинальный ток реле по одной или двум фазам, А 5
Частоты переменного тока (по исполнением), Гц 50
Минимальный рабочий ток реле (Imin), А 2
Реле допускают длительное протекание тока по первичным обмоткам трансформаторов (одна фаза выводы 1-2, вторая - 10-11) до 10А, а течение 10 с - до 150 А.
Потребляемая мощность реле при номинальном токе для каждой цепи питания, не более 6 ВА
Выход
Количество выходных цепей с независимыми уставками выдержки времени 3
- с временно-замыкающим (проскальзывающим) контактом 1-я и 2-я цепи
- с замыкающим (конечным) контактом 3-я цепь
Пределы уставок выдержек времени:
- нижний предел первой (Т1) цепи 0,1 с
- нижний предел второй (Т2) цепи Т1 + 0,5 с
- нижний предел третьей (Т3) цепи Т2 + 0,5 с
- верхний предел уставок всех трех цепей 9,9 с
Диапазон регулируемых выдержек времени 0,1 - 9,9 с
Дискретность регулирования уставок 0,1 с
Способ регулировки выдержек времени ступенчатый
При установке выдержек времени необходимо соблюдение последовательности: 
Т1 ≥ 0,1 с;     Т2 > Т1 + 0,5 с;     Т3 > Т2 + 0,5 с
Время замкнутого состояния временно-замыкающих контактов 0,4 ± 0,04 с
Время повторной готовности, не более 0,1 с
Длительно допустимый ток контактов 5 А
Коммутационная способность контактов при напряжениях от 24 до 250 В:
- в цепях постоянного тока при τ ≥ 0,02 с 30 Вт
- в цепях переменного тока при cosφ ≥ 0,4 400 ВА
Коммутационная износостойкость контактов реле: без нагрузки: 200 000 циклов ВО
106

Функциональная диаграмма работы:

ВЛ-104, ВЛ-104А - функциональная диаграмма



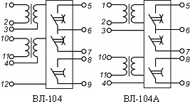
ВЛ-104, ВЛ-104А - схема подключения
Выдержка времени начинается при замыкании выводов:
ВЛ-104: 3 и 12, или 4 и 12 или обоих пар вместе;
ВЛ-104А: 3 и 4.



ВЛ-104, ВЛ-104А - габариты
Габаритные и установочные размеры ВЛ-104, ВЛ-104А

При формировании заказа необходимо указывать: наименование и тип реле; климатическое исполнение и категорию размещения; номинальное напряжение, род тока и частоту напряжения питания; диапазон уставок выдержек времени; номер технических условий; необходимость поставки и количество экземпляров РЭ.
Пример записи обозначения реле ВЛ-104А при его заказе и в документации другого изделия:
«Реле времени ВЛ-104А УЗ, 220 В, 50 Гц, 0,1-9,9 с, ТУ УЗ.11-14309600-061-98»

Возможен вариант установки реле на DIN-рейку

Техническая документация
Наши партнёры